高トルクリジッドホルダ
QCT48-SR16・SR20・SR30型
製品ムービー
特徴
AF150型・AF110型やSFT48-HiSP-QC型で
使用する専用リジッドホルダ
高トルクエアフロートアタッチメントAF150型・AF110型や高トルクQCモータスピンドルSFT48-HiSP-QC型で使用する専用リジットホルダ。当社オリジナル規格のQCT48シャンクを採用。
アルミダイキャストや低圧鋳造・重力鋳造品の
アルミ粗材の(堰・膜)バリをバリ取り可能
AF150型・AF110型やSFT48-HiSP-QC型に取り付けて使用することにより、アルミダイキャストや低圧鋳造・重力鋳造品のアルミ素材の堰や膜バリの荒取りが可能。
摩擦軸受け内蔵Hi-Q/ERB25、Hi-Q/ERB32Hi-Q/ERB40ナットを採用!
Hi-Q/ERB25、Hi-Q/ERB32、Hi-Q/ERB40ナットには、摩擦軸受けが内蔵されており、標準ナットの把握力の2倍以上で締め付けることが可能。
※締め付けの際の最大トルクは、推奨締付トルクの25%を超えないでください。
コレットはDIN/ISO規格、
信頼のER25、ER32、ER40高精度コレットを採用!
刃具を把握するコレットには、世界標準のDIN6499/ISO15488規格のER25・ER32・ER40コレットをそれぞれ採用。
SR16型・SR20型・SR30型共に色々なサイズの刃具が使用可能!
コレットの把握径は、SR16型がφ0.5~φ16.0、SR20型がφ0.5~φ20.0、SR30型がφ0.5~φ30.0となっており、それぞれ把握サイズに合ったコレットが必要です。付属サイズ以外のコレットが必要な場合は、別途ご購入をお願いします。
最高回転数は、SR16型で15,000min-1、SR20型で12,000min-1、
SR30型で10,000min-1
回転数は、AF150型・AF110型やSFT48-HiSP-QC型の回転数に準じ、最高回転数が各リジットホルダ毎に
SR16型で15,000min-1、SR20型で12,000min-1、SR30型で10,000min-1となります。
独自の二面拘束QCT48シャンクにより高い保持力を確保
弱テーパと広いフランジ面の組合せにより、横からの力にも強く、AF150型・AF110型やSFT48-HiSP-QC型からの引き込み力も5tの力で常時保持。
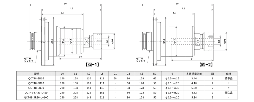
寸法図

ここに記載した製品の仕様及び外観は、予告なく変更することがあります。